условия использования цилиндрического редуктора:
-
Устройство адаптировано для работы в условиях переменной/постоянной нагрузки,
-
Тип нагрузки: одного направления/реверсивная;
-
Возможны два режима использования редуктора: постоянная работа, а также с периодическими остановками/перерывами;
-
Быстроходный вал осуществляет вращение в обе стороны, частота вращения не выше 1 500 об/мин.
Общее описание:


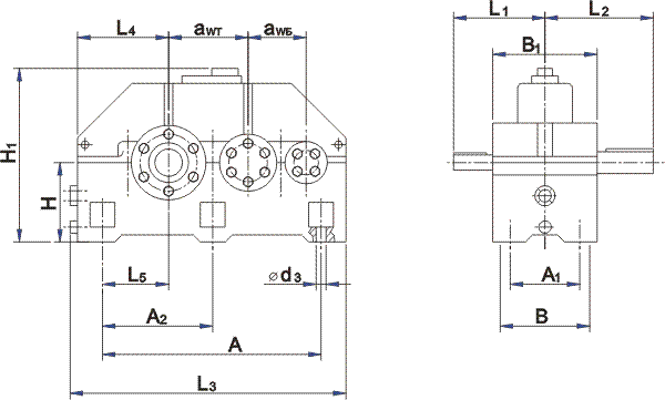
Габаритные и присоединительные размеры
Типоразмер |
аwБ |
аwT |
A |
A1 |
A2 |
B |
H |
H1 |
H2 |
L1 |
L2 |
L3 |
L4 |
L5 |
1Ц2У-315Н |
200 |
315 |
740 |
260 |
370 |
340 |
335 |
685 |
35 |
300 |
420 |
1045 |
360 |
215 |
1Ц2У-355Н |
225 |
355 |
850 |
280 |
425 |
360 |
375 |
740 |
35 |
320 |
440 |
1170 |
405 |
250 |
1Ц2У-400Н |
250 |
400 |
950 |
330 |
475 |
420 |
425 |
835 |
42 |
380 |
500 |
1320 |
450 |
280 |
1Ц2Н-450 |
280 |
450 |
1060 |
515 |
530 |
590 |
475 |
955 |
50 |
500 |
650 |
1475 |
500 |
310 |
1Ц2Н-500 |
315 |
500 |
1220 |
580 |
615 |
650 |
530 |
1030 |
60 |
530 |
690 |
1660 |
530 |
360 |
Типоразмер |
b1 |
b2 |
d1 |
d2 |
d3 |
h1 |
h2 |
l1 |
l2 |
t1 |
t 2 |
Объем заливаемого масла, л |
Масса, кг |
1Ц2У-315Н |
14 |
28 |
50k6 |
110 |
28 |
9 |
16 |
110 |
210 |
44 |
100 |
30 |
520 |
1Ц2У-355Н |
16 |
32 |
55k6 |
125 |
28 |
10 |
18 |
110 |
210 |
44 |
114 |
35 |
700 |
1Ц2У-400Н |
18 |
36 |
60k6 |
140 |
35 |
11 |
20 |
140 |
250 |
53 |
128 |
60 |
940 |
1Ц2Н-450 |
22 |
40 |
80 k6 |
160 |
35 |
14 |
22 |
170 |
300 |
71 |
157 |
90 |
1530 |
1Ц2Н-500 |
25 |
45 |
90 k6 |
180 |
42 |
14 |
25 |
170 |
300 |
81 |
165 |
100 |
2100 |
Габаритные и присоединительные размеры

Варианты сборки редукторов типа Ц2У
Типоразмер редуктора |
Частота вращения быстроходного вала, об/мин |
Режим работы |
Передаточное число (номинальное) |
8 |
10 |
12,5 |
16 |
20 |
25 |
31,5 |
40 |
50 |
1Ц2У-315Н |
500 |
Л
С
Т
H |
10300 9200 9200 8300 |
10700 9200 9200 8400 |
10400 9200 9200 8600 |
9900 9200 9200 8300 |
10800 8600 8600 8400 |
11200 8600 8600 8400 |
9800 8600 8600 8600 |
8700 8700 8600 8200 |
10700 7900 7600 7600 |
750 |
Л
С
Т
H |
9700 9200 9100 8100 |
10100 9200 9200 8200 |
10 300 9200 9200 8300 |
9900 9200 9100 8200 |
10100 8600 8600 8200 |
10500 8600 8600 8300 |
9800 8600 8600 8400 |
8700 8600 8600 7900 |
10000 7600 7600 7600 |
1000 |
Л
С
Т
H |
9200 9200 8900 8000 |
9600 9200 9100 8100 |
9900 9200 9100 8200 |
9800 9200 8800 8200 |
9600 8600 8600 7900 |
10000 8600 8600 8100 |
9800 8600 8600 8300 |
8700 8600 8600 7800 |
9600 7600 7600 7600 |
1500 |
Л
С
Т
H |
9100 8900 8600 8000 |
9200 9100 8800 8000 |
9300 9200 8800 8100 |
9600 9200 8500 8100 |
9000 8600 8600 7700 |
9300 8600 8600 7800 |
9700 8600 8600 7900 |
8600 8600 8409 7600 |
8900 7600 7600 7500 |
1Ц2У-355Н |
500 |
Л
С
Т
H |
14000 12600 12600 11600 |
14600 12600 12600 11800 |
14200 12600 12600 11900 |
13500 12600 12600 11500 |
12500 12500 12000 10600 |
15300 11700 11700 11700 |
13500 11700 11700 11700 |
12000 12000 11700 11400 |
14700 10800 10400 10400 |
750 |
Л
С
Т
H |
13200 12600 12500 11300 |
13700 12600 12600 11400 |
14000 12600 12600 11600 |
13400 12600 12500 11400 |
12500 12300 11700 10400 |
14300 11700 11700 11600 |
13500 11700 11700 11700 |
12000 11700 11700 10900 |
13700 10400 10400 10400 |
1000 |
Л
С
Т
H |
12500 12500 12200 12200 |
13100 12600 12600 11300 |
13600 12600 12600 11400 |
13300 12600 12600 11200 |
12300 11900 11500 10200 |
13600 11700 11700 11300 |
13500 11700 11700 11500 |
12000 11700 11700 10800 |
13100 10400 10400 10400 |
1500 |
Л
С
Т
H |
12300 12300 11900 11100 |
12400 12400 12100 11200 |
12600 12500 12100 11200 |
12900 12600 11700 11200 |
12100 11300 11100 9800 |
12700 11700 11700 10900 |
13200 11700 11700 11100 |
11800 11700 11700 10500 |
12200 10400 10400 10400 |
1Ц2У-400Н |
500 |
Л
С
Т
H |
19600 17700 17700 16200 |
19800 17700 17700 16600 |
19400 17700 17700 16500 |
18400 17700 17700 15900 |
20700 16400 16400 16400 |
20900 16400 16400 16400 |
18300 16400 16400 16400 |
16200 16200 16200 15700 |
20400 15000 14600 14600 |
750 |
Л
С
Т
H |
18500 17700 17400 16100 |
19300 17700 17700 16300 |
19100 17700 17700 16300 |
18200 17700 17400 15700 |
19300 16400 16400 16400 |
20000 16400 16400 16400 |
18300 16400 16400 16400 |
16200 15100 16200 15100 |
19100 14600 14600 14600 |
1000 |
Л
С
Т
H |
17500 17500 17000 16100 |
18300 17700 17500 16300 |
18700 17700 17400 16100 |
18000 17700 16800 15600 |
18400 16400 16400 16400 |
19100 16400 16400 16400 |
18200 16400 16400 16100 |
16200 16200 16200 15000 |
18200 14600 14600 14600 |
1500 |
Л
С
Т
H |
-
-
-
- |
-
-
-
- |
17700 17500 16800 16100 |
17500 17500 16300 15500 |
17200 16400 16400 15600 |
17800 16400 16400 15900 |
17900 16400 16400 15600 |
15900 15900 15900 14600 |
17000 14600 14600 14600 |
1Ц2Н-450 |
500 |
Л
С
Т
H |
29600 27700 27700 26200 |
29800 27700 27700 26600 |
29400 27700 27700 26500 |
28400 27700 27700 25900 |
20700 26400 26400 26400 |
20900 26400 26400 26400 |
28300 26400 26400 26400 |
26200 26200 26200 25700 |
20400 25000 24600 24600 |
750 |
Л
С
Т
H |
28500 27700 27400 26100 |
29300 27700 27700 26300 |
29100 27700 27700 26300 |
28200 27700 27400 25700 |
29300 26400 26400 26400 |
20000 26400 26400 26400 |
28300 26400 26400 26400 |
26200 25100 26200 25100 |
29100 24600 24600 24600 |
1000 |
Л
С
Т
H |
27500 27500 27000 26100 |
28300 27700 27500 26300 |
28700 27700 27400 26100 |
28000 27700 26800 25600 |
28400 26400 26400 26400 |
29100 26400 26400 26400 |
28200 26400 26400 26100 |
26200 26200 26200 25000 |
28200 24600 24600 24600 |
1500 |
Л
С
Т
H |
-
-
-
- |
-
-
-
- |
27700 27500 26800 26100 |
27500 27500 26300 25500 |
27200 26400 26400 25600 |
27800 26400 26400 25900 |
27900 26400 26400 25600 |
25900 25900 25900 24600 |
27000 24600 24600 24600 |
1Ц2Н-500 |
500 |
Л
С
Т
H |
49600 47700 47700 46200 |
49800 47700 47700 46600 |
49400 47700 47700 46500 |
48400 47700 47700 45900 |
40700 46400 46400 46400 |
40900 16400 16400 16400 |
48300 46400 46400 46400 |
46200 46200 46200 45700 |
50400 45000 44600 44600 |
750 |
Л
С
Т
H |
48500 47700 47400 46100 |
49300 47700 47700 46300 |
49100 47700 47700 46300 |
48200 47700 47400 45700 |
49300 46400 46400 46400 |
40000 46400 46400 46400 |
48300 46400 46400 46400 |
46200 45100 46200 45100 |
49100 44600 44600 44600 |
1000 |
Л
С
Т
H |
44400 44400 44400 44400 |
48000 46600 46600 46600 |
48000 46900 46900 46900 |
46000 46000 46000 46000 |
41100 41100 41100 41100 |
49600 45200 45200 45200 |
42200 42200 42200 42200 |
48700 40000 40000 40000 |
43200 40000 40000 40000 |
1500 |
Л
С
Т
H |
-
-
-
- |
-
-
-
- |
-
-
-
- |
44200 44200 44200 44200 |
39800 39800 39800 39800 |
48100 15200 45200 45200 |
41200 41200 41200 41200 |
45500 40000 40000 40000 |
42500 40000 40000 40000 |
Допускаемые крутящие моменты на тихоходном валу, Нм
*** Л - лёгкий ПВ = 15 %; С - средний ПВ = 25 %; Т - тяжёлый ПВ = 40 %; Н - непрерывный ПВ = 100 %.
Наименование технических характеристик |
Типоразмер редуктора |
1Ц2У-315Н |
1Ц2У-355Н |
1Ц2У-400Н |
1Ц2Н-450 |
1Ц2Н-500 |
Межосевое расстояние, мм |
тихоходной ступени, аwT быстроходной ступени, аwБ для вариантов сборок 11,12,13,21,22,23 |
315
200
4000 |
355
225
5000 |
400
250
7100 |
450
280
10000 |
500
315
12500 |
Допускаемая радиальная консольная нагрузка, Н |
на быстроходном валу, р6 |
для вариантов сборок 31, 32,33 |
2000 |
2500 |
3550 |
5000 |
6250 |
На тихоходном валу. рт |
для вариантов сборок 11, 12, 21,22, 31, 32 |
22400 |
28000 |
31500 |
60000 |
80000 |
для вариантов сборок 13, 23,33 |
11200 |
14000 |
15750 |
30000 |
40000 |
Коэффициент полезного действия, ή , не менее |
0,98 |
Допускаемая радиальная консольная нагрузка на концы валов и термическая мощность
Двухступенчатые цилиндрические редукторы 1Ц2У-100, 1Ц2У-125, 1Ц2У-160, 1Ц2У-200, 1Ц2У-250
Одноступенчатые цилиндрические редукторы серии ЦУ-100, ЦУ-160, ЦУ-200, ЦУ-250
Двухступенчатые цилиндрические редукторы серии 1Ц2У-315Н, 1Ц2У-355Н, 1Ц2У-400Н, 1Ц2Н-450, 1Ц2Н-500
Трехступенчатые цилиндрические редукторы ЦЗУ-160, ЦЗУ-200, ЦЗУ-250
Одноступенчатые червячные редукторы серии 1Ч-63А
Одноступенчатые червячные редукторы Ч-100, Ч-125, Ч-160
Одноступенчатые червячные редукторы 1Ч-160
Двухступенчатые редукторы Ч2-160
Редукторы червячные одноступенчатые 4Ч-80
Одноступенчатые червячные редукторы Ч-80
Одноступенчатые червячные редукторы 2Ч-40, 2Ч-63, 2Ч-80
Цилиндрические соосные мотор-редукторы MTC A
Цилиндрические соосные мотор-редукторы R (RF)
Двухступенчатые мотор-редукторы 4МЦ2С, 4МЦ2С-63, 4МЦ2С-80, 4МЦ2С-100, 4МЦ2С-125
Цилиндрические мотор-редукторы 1МЦ2С, 1МЦ2С-63, 1МЦ2С-80, 1МЦ2С-100, 1МЦ2С-125
Цилиндрические плоские мотор-редукторы серии F
Мотор-редукторы планетарные тип: 3МП-31,5; 3МП-40; 3МП-50; 3МП-63; 3МП-80; 3МП-100; 3МП-125
Мотор-редукторы планетарные двухступенчатые МПО2М-10, МПО2М-15
Мотор-редукторы планетарные одноступенчатые типа МПО1М-10
Мотор-редукторы планетарные МРВ-02 и МРВ-04
Волновые мотор-редукторы ЗМВз
Цилиндро-конические мотор-редукторы K
|